정품 Ferrari 부품

배달 금속 파이프

DELIVERY METAL PIPE

For Ferrari 360

부품 번호: 65830900

$351.96 각MSRP: $391.80 (10.2% off)

가용성 배송

  • 이 자동차 부품은: 주문하기
  • 부품 상태: 신규
  • 예상 배송지 Korea, Republic of:

결제 옵션:
Payment Options Icons

자세한 정보가 필요하신가요?? 이 부분에 대해 문의하기

DELIVERY METAL PIPE

제품 설명:

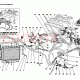
Ferrari 부품 번호 65830900은 다음 Ferrari 모델에 사용되는 전달 금속 파이프입니다:

  • 360 Modena.
  • 360 스파이더.
  • 360 챌린지 스트라달레.
  • 430 스쿠데리아.

이 파이프는 연료 탱크에서 엔진까지 연료를 전달하는 역할을 합니다.

Scuderia 자동차 부품 팀은 고성능 자동차에 살고, 먹고, 숨 쉬는 사람들로 구성되어 있습니다. 우리 팀은 이 부분과 관련하여 귀하의 질문이나 의견에 기꺼이 도움을 드릴 것입니다. 언제든지 문의해 주세요.

오늘 우리 팀에 연락하세요

이 자동차 부품은 다음 모델에 적합합니다.:
360 Challenge Stradale, 360 Modena, 360 Spider

보다 장착 세부 정보 자세한 정보.
모델 하위 카테고리
360 Modena 에어컨 시스템
360 Spider 에어컨 시스템
360 Challenge Stradale 에어컨 시스템

이 부품은 종종 다음과 함께 구매됩니다.